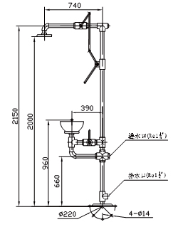
1、产品概述 Z-XYQ型系列安全事故喷淋洗眼器是使用于接触酸、碱、有机物及其它有毒、腐蚀性物质等易发生事故的场所。当发生意外伤害事故时,使用本装置进行喷淋冲洗,可将伤害减轻到最低程度,是一种安全劳动保护的必备设施。 2、产品分类、功能及选型 Z-XYQ-PⅠ型普通复合式喷淋洗眼器 1、基本功能特点 ●.带有喷啉和洗眼功能(冲洗脸部烧伤面)的普通型产品,装置中始终有水不能放空,适用于气温较暖之处。 ●.侧面进水口设有Rc11/4的内螺纹接口(或DN32.PN0.6法兰)与水源连接。 ●.顶端有一Rc11/4的内螺纹接口(或DN32.PN0.6法兰)备用进水口,当水源由上方进时,堵塞侧进水口。 ●. 当打开洗眼进水阀时,洗眼喷头自动喷水,不用时关闭进水阀门即可,使用方便。需喷淋时用手轻拉阀门拉杆,水从喷淋头自动喷出;用后须将阀门拉杆复位。 ●.在进水口处设有过滤器,确保水质清洁。 ●.由流量调节阀调节洗眼喷头喷水,确保出水柔和。
2、技术性能参数 3、主要部件材料选用